
UKB kantpersgereedschap voor professionele kwaliteit
Al geruime tijd verzorgt Holland Precision Tooling voor UKB de buitendienst activiteiten en levert het complete UKB programma van gereedschap en accessoires voor kantpersbouwers en eindgebruikers. Onze expertise en kennis betekent voor u gereedschap van topkwaliteit. Het UKB gereedschap voor buigtechnologie zorgt voor een zeer hoge kwaliteit en precisie bij uw plaatbewerking.
UKB gereedschapsysteem voor Wila opnamen
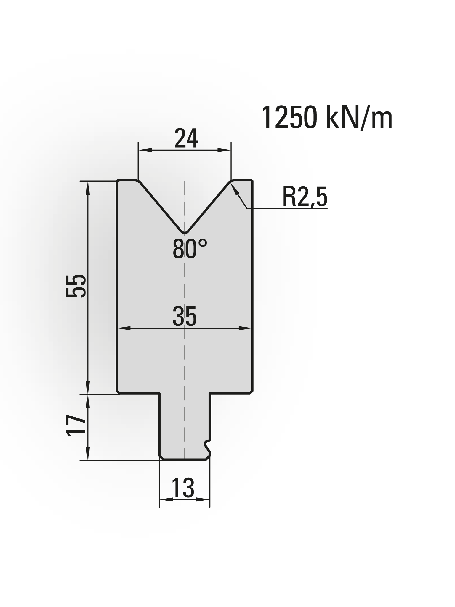
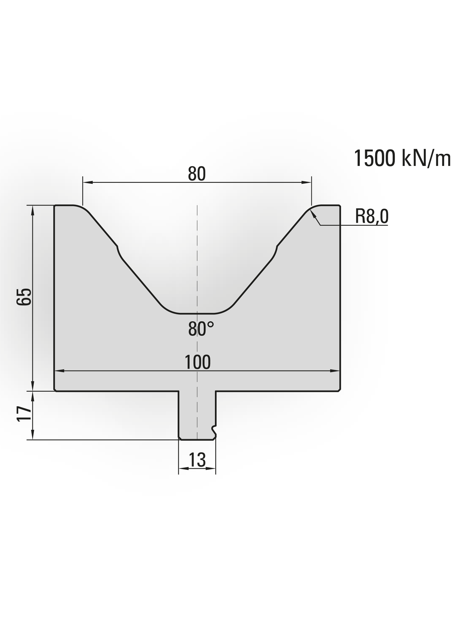
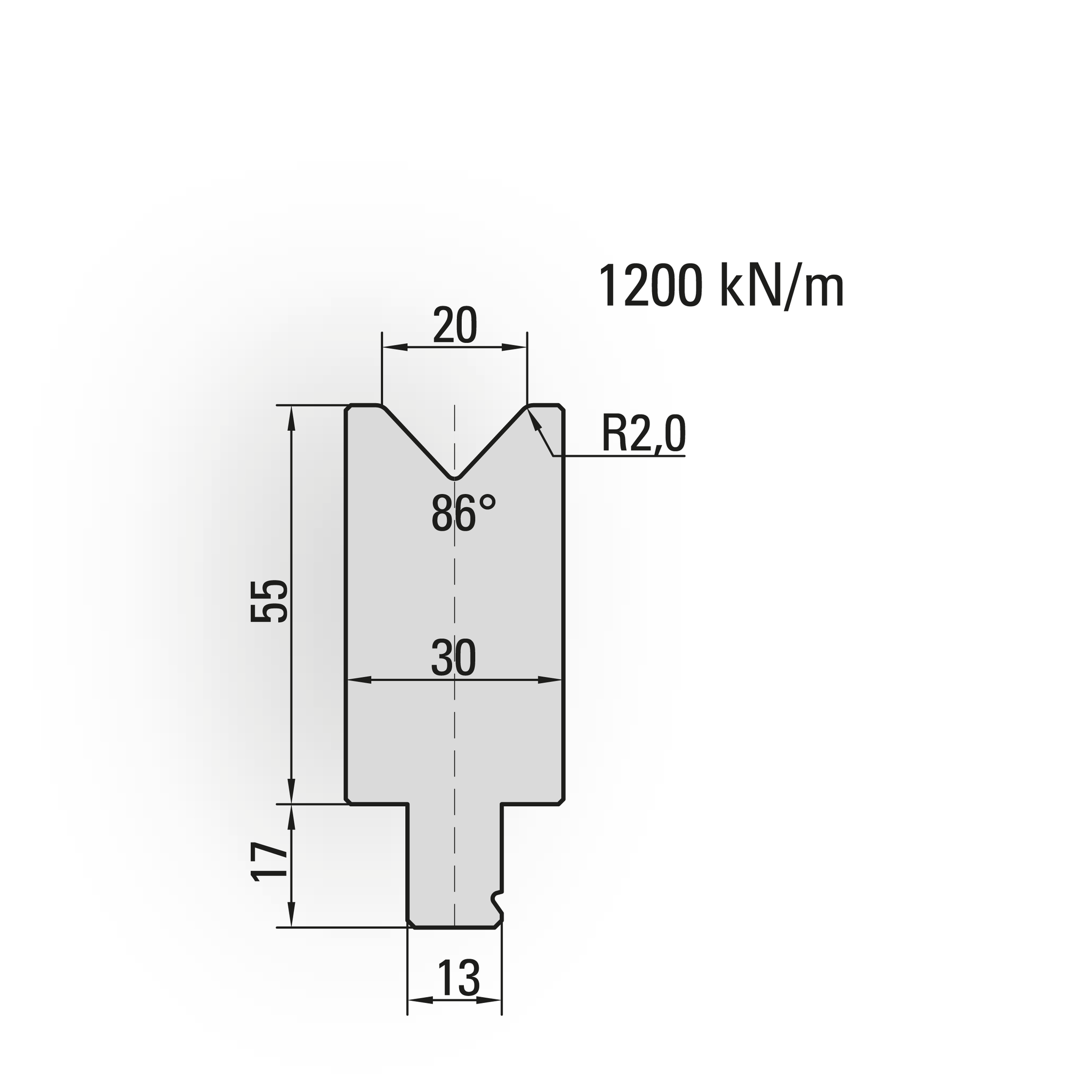
Met de UKB Wila productlijn kan iedere kantpers met Wila gereedschapsysteemopnamen worden afgestemd op uw specifieke eisen. Holland Precision Tooling geeft u advies op maat over de exacte onderdelen die uw bedrijf nodig heeft. Alle UKB kantpersgereedschappen zijn vervaardigd uit speciaal voor de toepassing samengesteld staal met een hoge trekvastheid, taaiheid en belastbaarheid. Dit zorgt niet alleen voor een optimaal resultaat, maar ook voor een langdurig gebruik zonder na te slijpen. Ook worden alle UKB kantpersgereedschappen in modulaire vorm geleverd en in een groot aantal standaard lengtes. Met behulp van deze sets kan elke gewenste lengte, oplopend in stappen van 5 mm, worden samengesteld.
Advies op maat: Kies voor Holland Precision Tooling
Wij geven deskundig advies voor uw kantpersgereedschappen. U kunt bij ons terecht voor een persoonlijke offerte, maatwerk op uw wensen en behoeften. Bekijk de mogelijkheden in de Holland Precision Tooling catalogus voor UKB kantpersgereedschap en neem contact met ons op voor alle opties.
Amsterdamsestraatweg 33
1411 AW Naarden
Nederland
+31 35 539 90 90
info@hptooling.nl
+31 35 539 90 99





